-
Telefon:
-
Mail:
- Teklif Al
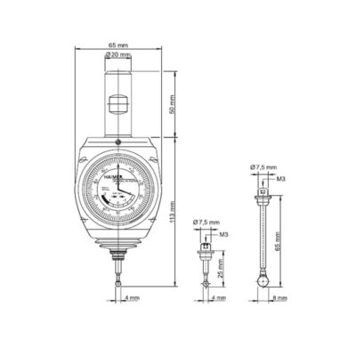
| KOD | HASSASİYET | KOMPLE BOY (SAPSIZ) | AÇIKLAMA |
|---|---|---|---|
| HAIM-8036000 | 0,01 mm | 113 mm | 3D TESTER MEKANİK |
| HAIM-8036440 | 0,01 mm | 113 mm | SK40 SAPLI 3 D TESTER MEKANİK |
| HAIM-8036540 | 0,01 mm | 113 mm | BT40 SAPLI 3 D TESTER MEKANİK |
| HAIM-8036200 | – | – | Ø4 KISA UÇ |
| HAIM-8036300 | – | – | Ø8 UZUN UÇ |
Yorumlar(0)
Yazıya ilk yorumu siz yazarak düşüncelerinizi diğer kullanıcılarla paylaşabilirsiniz.